GI-C高真空蝶阀

GI-C高真空蝶阀
  • 销售
  • 销售
  • 传真

详情介绍

  • 产品介绍
  • 服务承诺
  • 订货流程

GI-C型系列高真空蝶阀是用来调节真空系统中的气流量。调节角度范围0~90°。

GI-C型系列高真空蝶阀适用的工作介质为空气和非腐蚀性气体。

主要技术性能

适用范围(Pa)

105~1.3x10-5

阀门漏率(Pa.L/S)

≤1.3x10-6

介质温度(℃)

-25~+80(密封材料为丁腈橡胶)
-30~+150(密封材料为氟橡胶)

法兰标准

JB919

安装位置

任意

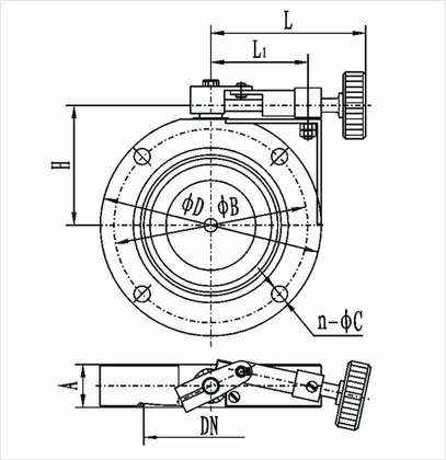
主要外形连接尺寸

型号

通径(DN)

ΦD

ΦB

H

A

L

L1

n-ΦC

GI-32C

32

78

64

51

22

62

29

4-Φ7

GI-40C

40

85

70

55

65

32

GI-50C

50

110

90

69

71

45

4-Φ9

GI-63C

63

130

110

72

26

87

55

GI-80C

80

145

125

80

30

85

63

GI-100C

100

170

145

93

110

75

4-Φ12

GI-150C

150

220

195

122

35

155

98

8-Φ12

GI-200C

200

275

250

156

40

159

117

GI-250C

250

330

300

259

45

167

132

GI-300C

300

380

350

284

55

197

162

8-Φ14

注:GI-63C法兰连接为GB/T6070标准

良好的品质、优良的服务 济南俊豪家庭艺术设计有限公司为你创造更多价值!

“济南俊豪家庭艺术设计有限公司”的期望,不断提升服务质量,精益求精,“真诚的服务”是“济南俊豪家庭艺术设计有限公司”永恒的主题。“济南俊豪家庭艺术设计有限公司”严格按照IS09001-2000 质量体系认证要求,质量严格把关, 责任到人,确保生产、销售、服务的健康运行。加强与用户沟通,竭诚为广大客户提供优良产品,至善至美服务。特此我厂做出以下承诺:

产品标准:

产品严格按照中国GBHG 标准和美国API等标准设计、制造、验收。密封面硬度达到国家规定要求,宽度超过国家标准。

售前服务:

产品介绍,技术交流,非标产品设计,疑难解答。

售中服务:

守信合同,保证及时供货,随时保持与客户联系。 对特殊或复制的产品,我厂安排技术人员对用户进行产品使用、故障排除

售后服务:

1、“济南俊豪家庭艺术设计有限公司”牌产品品质期为自出厂起12个月,实行“三包”服务(包退、包换、保修)。

2、产品在使用中我厂定期组织技术、质检人员进行访问,征询用户对产品质量、 使用状况、改进意见等方面的反馈, 以便进一步提高产品质量。

3、对用户投诉质量问题,快速作出反应,售后服务人员在24-36小时(省外48小时)赶赴现场。

4、对售后服务,要求用户填写服务后的质量反馈信息表,并作出鉴定意见,以便提高济南俊豪家庭艺术设计有限公司的服务质量。

1、客户如对产品有特殊要求,须在订货合同中提供以下说明:

a、结构长度;

b、连接形式;

c、公称直径、全通径、缩径、管道尺寸;

d、运行介质及温度、压力范围;

e、试验、检验标准及其他要求

2、本厂可根据客户特定要求配置各类驱动装置。

3、如由客户提供确定的阀门类型和型号时,客户应正确说明其型号的含义和要求,在供需双方理解一致的条件下签订合同。

4、期货、订货的客户请先来电函详细告诉所需的阀门型号、规格、数量以及交货时间、地点,并按总的30%预定金或全额货款及时汇入我厂帐户,其余货款待发货前汇入,以便及时安排发货。

 

订单流程:

1、客户采购清单传真至,或来电咨询

2、收到客户采购清单,为客户提供阀门型号选型与报价(价格清单)。

3、具体商定:交货期、特殊要求等事宜。

订货须知:

1、客户如对产品有特殊要求,须在订货合同中提供以下说明:

a、结构长度;

b、连接形式;

c、公称直径、全通径、缩径、管道尺寸;

d、运行介质及温度、压力范围;

e、试验、检验标准及其他要求

2、本厂可根据客户特定要求配置各类驱动装置。

3、如由客户提供确定的阀门类型和型号时,客户应正确说明其型号的含义和要求,在供需双方理解一致的条件下签订合同。

4、期货、订货的客户请先来电函详细告诉所需的阀门型号、规格、数量以及交货时间、地点,并按总的30%预定金或全额货款及时汇入我厂账户, 其余货款待发货前汇入,以便及时安排发货。

售中服务:

守信合同,保证及时供货,随时保持与客户联系。

对特殊或复制的产品,我厂安排技术人员对用户进行产品使用、故障排除

售后服务:

1、“济南俊豪家庭艺术设计有限公司”产品品质期为自出厂起12个月,实行三包服务(包退、包换、保修)。

2、产品在使用中我厂定期组织技术、质检人员进行访问,征询用户对产品质量、使用状况、改进意见等方面的反馈,
以便进一步提高产品质量。

3、对用户投诉质量问题,快速作出反应,售后服务人员在24-36小时(省外48小时)赶赴现场。

4、对售后服务,要求用户填写服务后的质量反馈信息表,并作出鉴定意见,以便提高“济南俊豪家庭艺术设计有限公司”的服务质量。

声明

  1. 本文中所有文字、数据、图片均只适用于参考,GI-C高真空蝶阀性能参数、结构尺寸参数、价格等详情,请联系我们
  2. 若无说明,本文章均为原创,转载时请注明本文地址,谢谢合作!